New Energy Exploitation and Application(NEEA)

New Energy Exploitation and Application

Latest Issue
Volume 4, Issue 2
December 2025
Access: Full Open access

New Energy Exploitation and Application is an open access, international English language journal focusing on the latest developments in the field of energy. It aims to provide a communication platform for energy researchers, energy workers, and other people who study and care about energy development worldwide to disseminate, share and discuss the sustainable development of energy.

  • ISSN: 2754-5652
  • Frequency: Semiyearly
  • Language: English
  • E-mail: neea@ukscip.com

Submit Manuscript

Latest Published Articles

Article Article ID: 1233

A Comparative Analysis of Selected Improved Biomass Cookstoves’ Temperature Profiles Using the Testo 310 Flue Gas Analyzer

One of the major challenges facing the energy sectors in practically all developing countries worldwide is clean cooking. In Sierra Leone, only 1% of the population has access to clean cooking, making it one of the worst among the developing countries with clean cooking problems. Many people are switching to improved biomass cookstoves (IBCs), but the unprecedented production of charcoal‑based IBCs and varied designs, particularly ceramic linings, make it difficult for users to choose the right size. The study surveyed major IBC production and sales centres in Sierra Leone’s western regions between 2021 and 2023, examining temperature profiles of the metal stove (MS) and wonder stove (WS). The data showed that an average of 3352 MS and 1833 WS were produced and sold between 2021 to 2023. A water boiling test was adopted for IBCs testing and Testo 310 flue gas analyzer was used to track the temperature profiles of the chosen IBCs. The findings suggest that WS could be able to generate and retain heat more quickly and sustainably than MS. Additionally, the recorded temperatures and timings of all IBCs were also subjected to a systematic correlational analysis. A simulation of the various temperatures and times was also plotted to ascertain the temperature‑time graph differences. These results are relevant and could aid in the analysis of IBC emissions and thermal efficiency. Thus, the results of the study could be utilized to offer policy recommendations for IBC production and sales centres in Sierra Leone and other developing countries.

Article Article ID: 1299

Performance Assessment of a Temperature‑Based Model in Estimating GSR Across Different Latitudes of Cameroon

Among all climatic parameters, solar radiation is one, if not the most, involved in different applications (meteorology, agriculture, environment, etc.). However, due to economic constraints (especially in low‑income countries like ours), it is not always measured. Over the years, several empirical correlations estimating global solar radiation (GSR) have been developed around the world by different authors. The objective of this study is to evaluate the performance and accuracy of a temperature‑based model and to estimate the GSR received at four localities (Nanga Eboko, Ngaoundere, Tchollire and Maroua) in Cameroon. The studied model is that proposed by Hargreaves‑Samani in 1982. It takes into account the latitude of the site and the daily minimum and maximum air temperatures. With commonly used statistical indicators (whose values are all within the acceptable range), the measured and estimated GSR values were compared and analyzed. According to the results, this model gives for the study area, a reasonable degree of good fitting and correlation between measurements and estimations. We also found that the further we move towards the north, the higher solar radiation is received and the performance of the model improves. Thus, from south to north, the country receives in average values, 4.6437 kWh m−2 d−1 at Nanga Eboko, 5.5667 kWh m−2 d−1 at Ngaoundere, 5.6968 kWh m−2 d−1 at Tchollire and 5.7936 kWh m−2 d−1 at Maroua. In case of missing data and taking into account the foregoing, we can consider the studied model as an accurate and useful tool in predicting GSR in the study area and similar geographical locations around the world.

Article Article ID: 1387

Advanced Thermal Management for PV Panels: Enhancing Efficiency with a Three‑Dimensional Pulsating Heat Pipe

Harnessing solar energy represents a fundamental pillar of the global transition toward sustainable energy systems due to its abundance, renewability, and broad accessibility. Photovoltaic (PV) technology, in particular, has emerged as the most extensively deployed solution across residential, commercial, and utility‑scale applications. However, the relatively low energy conversion efficiency of PV modules remains a critical challenge, with elevated operating temperatures being one of the primary factors contributing to performance degradation. Excessive heat not only reduces instantaneous electrical output but also accelerates material aging, thereby shortening the service life of PV systems. Consequently, the development of efficient cooling strategies has attracted considerable research attention. In this study, an advanced passive thermal regulation approach based on three‑dimensional pulsating heat pipes (PHPs) was experimentally investigated. Two different inner diameters (2 mm and 3 mm) were designed, and their performance was evaluated using deionized water and graphene oxide (GO) nanofluid as working fluids. The results demonstrate that PHP integration can effectively reduce PV module surface temperatures, leading to notable improvements in electrical efficiency. The most significant enhancement was observed with GO nanofluid at a concentration of 0.8 g/L in 2 mm inner diameter PHPs, achieving up to a 3.2% increase in daily power generation compared with the baseline. Conversely, increasing the pipe diameter reduced the cooling effectiveness, underscoring the importance of geometric optimization and working‑fluid selection in the design of PHP‑assisted PV cooling systems.

Article Article ID: 1365

Drivers of Carbon Emissions in Turkey and Indonesia: The Roles of Energy Use, Natural Disasters, and Technological Change

Switching to renewable energy is key to environmental resilience, especially with the growing problems of fossil fuel dependence and increasing natural disasters. This study looks into how fossil fuel consumption, natural disasters, and adoption of renewable energy technologies affect carbon dioxide (CO2) emissions in Turkey and Indonesia. The analysis is based on the Method of Moments Quantile Regression (MMQR) approach, which captures the heterogeneous effects of these variables across different emission levels. Additionally, Feasible Generalized Least Squares (FGLS) is employed as a robustness check to validate the consistency of the results. The findings show that fossil fuel use contributes to higher CO2 emissions, especially at the lower and middle quantiles. Natural disasters further increase emissions due to the increased energy demand for emergency response and recovery. On the other hand, the expansion of renewable energy leads to consistent and significant reductions of emissions across all levels. These results highlight the need for Turkey and Indonesia to invest in renewable energy infrastructure, implement carbon mitigation policies, integrate disaster risk management in energy planning, and promote innovation in green technologies to achieve long‑term sustainability and environmental protection.

Article Article ID: 1307

Underground Natural Gas Storage: Enhancing Flexibility in Brazil’s Electricity Sector

Supply flexibility is an essential attribute for the development of natural gas markets. In countries that have a mature market, gas storage capacity is used to deal with variations in demand. In Brazil, the natural gas market is still developing, and flexibility is an important challenge. In most of the more mature natural gas markets, the seasonality of demand is closely linked to temperature (harsh winter), and flexibility mechanisms were developed for this purpose. In Brazil, demand volatility is determined by the thermoelectric segment, as gas thermal plants have a complementary role to the hydroelectric park. This situation has brought challenges to the development of the gas market in Brazil. Thus, flexibility mechanisms can generate significant efficiency gains by avoiding underutilization of infrastructure. The article analyzes the Underground Storage of Natural Gas (UGS) as a “flexibility” tool, suitable for the Brazilian market to guarantee a balance of supply versus demand without deficits and in an optimized way, considering the randomness of gas demand. The economic value added by UGS to the electricity sector is illustrated through a case study of a natural gas thermoelectric plant that uses pre‑salt associated gas. Thus, using the Monte Carlo simulation method, this study demonstrated the economic value for the Brazilian electricity sector of contracting underground natural gas storage capacity to be used in the dispatch of natural gas‑fired thermal power plants as part of a trade‑off with liquefied natural gas (LNG).

Article Article ID: 1260

Exploring the Causal Relationship Between Energy Consumption and Economic Growth: Evidence from Eastern Africa

Understanding the relationship between energy consumption and economic growth is crucial for Eastern Africa, a region experiencing rapid economic expansion alongside persistently low energy use. This study intends to determine whether energy consumption drives economic growth or merely results from it in 13 Eastern African countries using annual panel data from 2012–2021. Employing the Dumitrescu‑Hurlin panel causality test and a two‑step System Generalized Method of Moments estimator, the findings reveal unidirectional causality from energy consumption to economic growth, consistent with the growth hypothesis. Specifically, a 1% increase in energy consumption is associated with a 0.1 percentage point increase in GDP (p < 0.01), while a 1% increase in energy prices reduces growth by about 0.073 percentage points (p < 0.05). Further analysis using a Granger non‑causality test indicates bidirectional causality between natural logarithm of energy consumption (LnEnergy) and GDP (p = 0.017), confirming that GDP also influences LnEnergy. Similarly, bidirectional causality between LnPrice and GDP is observed at the 1% significance level, suggesting that economic performance affects energy prices. These findings reveal the complex feedback channels linking energy use, prices, and economic activity, and support the need to expand regional energy infrastructure, stabilize energy prices, and enhance capital investment efficiency within Eastern Africa’s economic dynamics. Overall, the results emphasize adopting a holistic methodological approach that considers interrelated factors rather than relying solely on one‑way causal explanations of the energy–growth relationship.

Review Article ID: 1497

A Complete Review of Design, Performance, and Future Developments of CPVT Systems

Concentrated Photovoltaic‑Thermal (CPVT) systems combine concentrated photovoltaics and thermal energy recovery. This lets them produce electricity and heat from sunlight at the same time. This paper looks at the latest progress in optical concentrators, thermal management methods, and spectral beam splitting techniques. These advances have boosted the system’s overall efficiency to between 60% and 80% under different operating conditions. Particular attention is given to Linear Fresnel Reflectors (LFRs), thermal‑fluid simulations, and the use of artificial intelligence (AI) to improve system design and performance. Modeling methods, such as computational fluid dynamics and ray tracing, are examined to connect theoretical expectations with actual experimental data. The discussion includes major obstacles, like the systems’ reliance on high direct normal irradiance (DNI) and their comparatively high initial expenses. Policy changes that could encourage broader use are suggested. Unlike earlier studies, this review incorporates research from 2024–2025 on AI‑driven controls, hybrid energy storage solutions, and strategies for functioning in areas with low DNI. A meta‑analysis is offered, showing how these changes can lower the levelized cost of electricity (LCoE) to between $0.08 and $0.15 per kilowatt‑hour. The article concludes by exploring potential future research areas, such as creating scalable hybrid systems that can support sustainable energy grids. These developments are aimed at assisting the transition toward energy infrastructures with lower carbon emissions.

Article Article ID: 1037

Energy Efficient Design of Power‑to‑Gas Generation Systems for Circular Economy

Generous subsidies and “technological openness” cannot fulfill European goals of affordability, environmental compatibility, and security of supply as recent blackouts and rising grid fees show. A clear structured definition of development targets based on TRL (Technological Readiness Level) is needed as used in aerospace industry. Affordability and security of supply provide the guidelines for a CO2 emission free system design. Energy transition will only work with a sufficient storable thermodynamic potential that guarantees power generation at any time with a cost‑effective energy storage technology. While H2 suffers from its low volumetric energy density and high cost a Closed Carbon Cycle (CCC) based on CH4 and C2H4 delivers an energy density up to more than 16 times higher than H2 with increasing carbon content. High thermodynamic system integration, including heat pumps and electrochemical O2 removal during the hydrocarbon‑forming reaction, increases efficiency. Electrolyzers and CH4/C2H4 forming reactors can be integrated in a steam generator design to optimize internal heat transfer and allow variable pressures. The conversion efficiency is estimated at up to 90% and a reconversion efficiency like pump storage hydro power plants. The concept fits very well with the current infrastructure of natural gas. It can supply industry with renewable hydrocarbons and use plastic waste for recovery. “Green fuels” can be delivered by using CO2 from bio‑energy utilization. H2 can be additionally generated by reforming like today with natural gas. Conversion efficiency, electricity price, full load operation hours, and investment cost mainly influence the gas price.

Article Article ID: 1413

Molten Salt Tritium Breeding Materials in Fusion Reactors: A Neutronic Comparative Analysis for ITER

This study investigates the effects of varying tritium breeding materials and their lithium enrichment rates on the Tritium Breeding Ratio (TBR) and Energy Multiplication Factor (M) within the tritium breeding zone of a fusion reactor. The magnetic fusion reactor model was developed based on the geometric and plasma parameters of the International Thermonuclear Experimental Reactor (ITER), ensuring a realistic representation of current fusion reactor designs. ITER‑grade stainless steel (SS 316 LN‑IG) was selected as the first wall material due to its excellent mechanical properties, high resistance to radiation damage, and compatibility with high‑temperature environments. The coolant and tritium breeding materials considered in the blanket included natural lithium, lithium fluoride (LiF), FLiBe (LiF‑BeF2), and FLiNaBe (LiF‑NaF‑BeF2). These materials were chosen for their ability to facilitate tritium breeding while maintaining thermal and neutronic efficiency. Neutron transport calculations and geometric modeling were performed using the widely recognized 3D simulation tools MCNP 5 and TopMC, which employ the continuous‑energy Monte Carlo method. The simulations utilized built‑in continuous‑energy nuclear and atomic data libraries, along with the Evaluated Nuclear Data File (ENDF) system (ENDF/B‑V and ENDF/B‑VI), ensuring reliable and validated results. The results highlight the importance of material selection and enrichment optimization in achieving efficient tritium breeding and energy production. FLiBe, in particular, shows promise for future fusion reactor designs due to its superior performance in terms of TBR and M. These findings provide valuable insights for the development of sustainable and high‑performance fusion reactors, contributing to the global pursuit of clean and virtually limitless energy.

Review Article ID: 1353

Expanding Research on Second‑Life EV Batteries: AI‑Based Monitoring, Recycling Strategies, and Policy Innovations

The rapid adoption of electric vehicles (EVs) has intensified concerns over the sustainable management of lithium‑ion batteries (LIBs), which often retain up to 80% of their capacity after reaching end‑of‑first‑life in vehicular applications. This study advances second‑life battery (SLB) research through three components: artificial intelligence (AI)‑driven predictive maintenance, optimized recycling strategies, and enabling policy frameworks. A synthesis of 51 peer‑reviewed sources published between 2019 and 2025, combined with case analyses from Tesla and Nissan pilots, supports the development of an integrated framework. Findings show that AI‑enhanced diagnostics can extend second‑life battery service by up to 50% and reduce lifecycle costs by 25%. Hybrid recycling processes can recover over 95% of critical materials—lithium, cobalt, and nickel—while lowering energy consumption by up to 20–40%. Policy incentives and adaptive regulations can reduce adoption barriers by 30–40%, facilitating large‑scale integration. The structured survey (n = 121) in this study revealed low public awareness, with 83% of respondents unaware of reuse potential. However, respondents expressed moderate willingness to adopt second‑life batteries, provided AI monitoring ensures at least 90% safety and performance reliability. By unifying technical, economic, and policy dimensions, this study demonstrates that AI‑enabled monitoring, advanced recycling, and adaptive regulation collectively support the alignment of second‑life EV batteries with global sustainability goals. The proposed framework underscores the importance of bridging innovation, market readiness, and governance to accelerate sustainable energy transitions.

Review Article ID: 1524

Economic and Environmental Benefits of Renewable Energy Transition in Nigeria

Nigeria faces an urgent energy challenge marked by chronic electricity shortages, dependence on fossil fuels, and worsening environmental degradation. This study examines the economic and environmental benefits of transitioning to renewable energy in Nigeria, adopting a mixed-methods approach that combines a systematic literature review, policy analysis, and synthesis of empirical case studies. Findings reveal that Nigeria possesses vast potential for solar, wind, biomass, and hydropower, capable of transforming its energy landscape. Economically, the adoption of renewable energy can generate employment, stimulate industrial growth, expand rural electrification, attract investment, and stabilize public finances by reducing vulnerability to global oil price shocks. Environmentally, it can reduce greenhouse gas emissions, improve air quality, conserve biodiversity, promote sustainable waste management, and enhance resilience to climate variability. Case studies demonstrate the effectiveness of decentralized solar mini-grids, biomass utilization, and hybrid systems in meeting local energy needs; however, persistent barriers, including weak policy enforcement, financing gaps, and infrastructural limitations remain. The study concludes that a comprehensive framework is required, built on policy alignment, financing innovation, institutional strengthening, infrastructure development, and social inclusion. Renewable energy transition thus represents not only a climate responsibility but also a strategic pathway for Nigeria’s sustainable economic and environmental future.

Article Article ID: 1267

Progress of High‑Performance Building Design with Cooling Load Variation from Solar Heat in HVAC Equipment Energy and Power and Operation

Energy performance is one of the building performance related to the multiple disciplines. It is somewhat distinguishable to the LEED of Green Building Certificate Institute. The LEED uses the model design, e.g., adopting optimal pattern and parameter including the energy issue. The high‑performance design of building related to the energy applies the ASHRAE standard, code and guideline to calculate and predict their consumed and numerical quantity of the engineering power and energy need. The purpose of this paper is to study and apply the solar irradiation system and radiation, and to get the optimal energy kw‑hr (Btu) for the decarbonizations, reduction of GHG (Green House Gas) and decrease of the carbon footprint in construction with power KW (Btu/hr) capacity in the HVAC equipment and facilities of the building design. One strategy of seeking the goal is to look for the popular and practical design method for variable cooling load impacted by solar energy. After great efforts, the Radiant Time Series Method (RTS) based on the Excel codes has been found. The paper summarizes the logical procedure from the varied HVAC and building design codes and resources, creates the Excel computing codes, populates the case data, and assesses the computing outcome for the better building performance.

Article Article ID: 1557

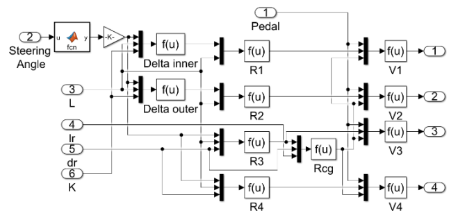
Development and Validation of an Arduino‑Based Control Algorithm for an Electronic Differential in Quad In‑Wheel Hub Motor Electric Vehicles

This paper presents the development and validation of a control algorithm for an Arduino-based EDS EV. The main goal of this system is to improve the speed and torque distribution between the wheels while maneuvering, focusing especially on cornering. The suggested algorithm regulates the throttle signal supplied to each wheel based on the steering angle, using a mathematical model derived from the Ackermann-Jeantand geometry. Initial simulations were run in MATLAB/Simulink to validate the theoretical approach before its real-world implementation. Arduino Uno board was used to adjust the throttle pedal voltage signal for each wheel at low, medium, and high acceleration performance. The response of the voltage supplied to the inner and outer wheels while changing the steering angle had been analyzed. The voltage on the inner wheels decreased when increasing steering angle, while it increased on the outer wheels. Compared to the simulation results, the experimental results indicate minor differences, which can be referred to the effect of noise and the limited accuracy of the hardware used. The results indicate that the Arduino-based EDS system can achieve precise torque distribution of EVs. This study forms a basis for the implementation of the system on a full-scale prototype for performance evaluation under actual driving conditions.

Article Article ID: 1316

The Relationship between Natural Gas Consumption and Economic Growth in Egypt

Given the increasing reliance on natural gas as a primary energy source in Egypt and its pivotal role in supporting industrial production and electricity generation, understanding the relationship between natural gas consumption and economic growth is of great importance. This is particularly crucial in the context of energy policy formulation, sustainable development, and efficient resource allocation. This study investigates the causal nexus between natural gas consumption and economic growth in Egypt during the period from 1988 to 2018. The primary aim is to determine whether economic growth drives gas consumption or vice versa, which carries significant implications for energy policy and sustainable development planning. The research adopts the Auto Regressive Distributed Lag (ARDL) approach to analyze long-term relationships, while the Vector Error Correction Model (VECM) Granger causality test is employed to explore short-run and long-run causal dynamics between the variables. The empirical findings reveal a unidirectional causality running from economic growth to natural gas consumption in the short run, supporting the conservation hypothesis. This suggests that economic expansion leads to increased gas consumption, but not the other way around. In contrast, no causality is detected in the long run, aligning with the neutrality hypothesis, which implies that natural gas consumption does not significantly influence long-term economic growth.

Article Article ID: 1644

Solar PV System Design for Enhancing Sustainability in SWRO Desalination: The Deir El‑Balah Case Study

The Gaza Strip faces a dual challenge of severe freshwater scarcity and chronic electricity shortages, constraining the operation of critical infrastructure such as seawater desalination plants. This study investigates the design and feasibility of integrating a solar photovoltaic (PV) system into the Deir El-Balah seawater reverse osmosis (SWRO) desalination plant to enhance sustainability, reduce dependency on external electricity supplies, and minimize environmental impacts. Using the Helioscope simulation tool, both on-grid and off-grid scenarios were evaluated to assess system performance under local solar conditions. The optimized design requires 2,663 Canadian Solar HiKu CS3W-415P modules with Enphase M250 inverters, yielding a total installed capacity of 1.11 MWp and an AC output of 639 kW. Modules were allocated across rooftop structures and ground-mounted plots to maximize land-use efficiency. The system can meet the plant’s daily demand of approximately 1,100 kWh, thereby reducing reliance on fossil fuels and mitigating greenhouse gas emissions. Beyond technical performance, the integration of solar PV offers strategic benefits, including cost savings, improved energy security, and alignment with global sustainability agendas. The findings highlight the potential of renewable-powered desalination to contribute to Sustainable Development Goals (SDGs 6, 7, and 13) while advancing resilience and energy–water security in resource-constrained regions.

Review Article ID: 1682

Sustainable and Efficient Energy Use in Data Center Cooling: Techniques and Innovations

The rapid expansion of high-performance computing (HPC), artificial intelligence (AI), and cloud-based services has significantly increased the energy demand of modern data centers. Among the key challenges in maintaining operational efficiency is managing excess heat from densely packed computing equipment. While liquid-cooling technologies offer superior thermal performance, they are often operated conservatively, leading to excessive energy use through overcooling. This study investigates overcooling in data centers using operational data from the Frontier supercomputer, currently the world’s fastest publicly available exascale system. A linear regression model was developed to predict baseline coolant return temperatures using compute power and waste heat as inputs, and its performance was validated using standard regression metrics (R² = 0.357, MAE = 2.76 °C). Overcooling was identified when actual return temperatures were at least 1.5 °C below the predicted baseline. The analysis revealed that approximately 6.9% of the cooling effort could be reduced without compromising thermal safety margins. The study also translates the energy implications of avoidable overcooling into public-scale usage equivalents, showing potential annual savings exceeding 2.5 million kilowatt-hours. These findings demonstrate the potential of AI-assisted thermal modeling as a lightweight and interpretable method to improve cooling efficiency, reduce operational costs, and support sustainable data center management.

Review Article ID: 1770

Economic Dispatch Techniques Under Varying Load and Renewable Integration Scenarios: A Systematic Review

Economic Dispatch (ED) is a vital optimization problem in power systems, focused on minimizing generation cost while satisfying operational and environmental constraints. The increasing integration of renewable energy sources such as wind, solar, and hydro has made ED more complex due to intermittency, variability, and forecasting challenges, necessitating advanced optimization frameworks beyond conventional mathematical programming. This review analyzes ED approaches under varying load and renewable integration conditions, drawing on peer-reviewed literature from IEEE Xplore, ScienceDirect, Springer, Elsevier, and Scopus (2013–2025). Classical methods like lambda iteration and quadratic programming remain effective for small-scale convex ED problems but fail to address nonlinearities and renewable-related uncertainties. Meta-heuristic algorithms, including Genetic Algorithms (GA), Particle Swarm Optimization (PSO), and Differential Evolution (DE), effectively solve nonconvex problems but face limitations in convergence speed and scalability. Hybrid frameworks, particularly those incorporating artificial intelligence and fuzzy logic, offer balanced trade-offs between solution quality, robustness, and computational efficiency. Stochastic and robust optimization methods provide structured ways to manage uncertainty, though their high computational demands hinder widespread application in large-scale systems. Overall, no single ED method universally outperforms others; the choice depends on system size, renewable penetration, and operational objectives. Key research gaps include the scalability limits of meta-heuristics, limited exploration of AI-driven hybrid models, insufficient large-scale real-world validation, and inadequate emphasis on environmentally constrained ED. Future work should focus on adaptive, emission-conscious, and smart grid-integrated approaches that enhance efficiency, sustainability, and resilience in renewable-rich power systems.

View All Issues